ПРАВИЛЬНЫЙ ЭЛЕКТРОМОНТАЖ ЭЛЕКТРОННОГО ПУЛЬТА "УКОНТ-ТЕРМО СМАРТ"

ПОДКЛЮЧЕНИЕ ЭЛЕКТРОННОГО ПУЛЬТА "УКОНТ-ТЕРМО СМАРТ" К ГОРЕЛКЕ КОТЛА И АВАРИЙНОМУ ТЕРМОСТАТУ "УКОНТ-ПТ"

Зачем нужен электронный пульт котла "УКонт-Термо СМАРТ?  Ведь есть термостатические пульты "УКонт-Термо" и "УКонт-Термо 2", которые в комплексе с щитами управления "УКонт-Щ12" полностью покрывают потребность в пультах для котлов. Давайте разбираться.

 

Электронный пульт управления котлом "УКонт-Термо СМАРТ" является прибором, объединяющим в себе два стандартных блока из линейки "УКонт", блок управления котлом "УКонт-12" и графический контроллер "УКонт-П7.1".

 

Данный пульт разработан для котлов большой мощности, т.к. в таких котлах затруднено использование стандартных термостатических пультов из-за длины капиллярных трубок термостатов. В большинстве случаем длины 3000 мм не хватает для установки пульта в удобном для эксплуатации месте.

  • ПРИМЕР 1. Пульт "УКонт-Термо" расположен на небольшом котле в удобном месте. Хорошо видны температура и состояние котла
  • ПРИМЕР 2. Из-за нехватки длины капиллярных трубок, пульт "УКонт-Термо" размещен сбоку котла, в не совсем подходящем для этого месте
  • ПРИМЕР 3. Размещение пульта управления котлом "УКонт-Термо СМАРТ" в фронтальной проекции котла в удобном месте

 

У данного пульта есть одна особенность, киллер-фича, специально разработанная для удобства считывания информации при установке на котлы - датчик Доплера. Логика работы следующая:

  • по умолчанию, дисплей гаснет через 60 секунд после отсутствия движения вокруг пульта в радиусе 4-6 метров
  • при появления человека в заданном радиусе действия датчика Доплера, на выключенном дисплее появляется информация крупным шрифтом о температурах подающей и обратной линий, а также дымовых газов
  • для полноценного получения информации и управления котлом необходимо подойти и нажать на дисплей
  • т.е. для получения информации о работе котла каскада нужно просто идти вдоль ряда котлов и смотреть
  • кроме температур, на передней панели пульта находится светодиодная индикаторная панель, которая показывает состояние котла в данный момент
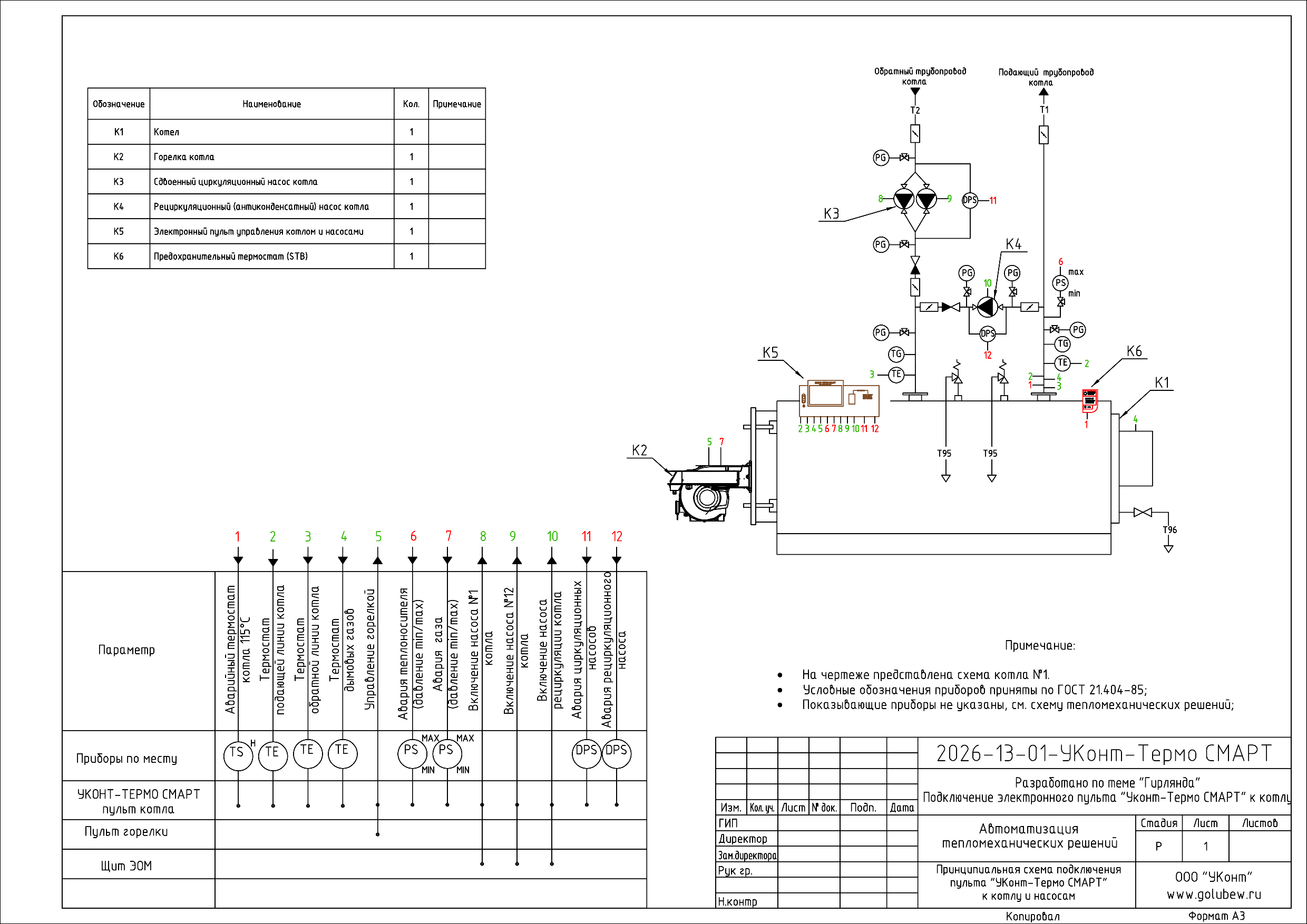
Принципиальная схема подключения термостатического пульта Уконт-Термо СМАРТ к котлу

Принципиальная схема подключения термостатического пульта "УКонт-Термо СМАРТ" к котлу с двухступенчатой или модулирующей горелкой.

 

  1. Подключение датчиков температуры и аварийного термостата пульта к котлу:
  • аварийный термостат "УКонт-ПТ" в самую горячую точку котла (если нет штатной гильзы,  на минимальном расстоянии от котла на выходном патрубке
  • датчик подачи PT100 пульта в самую горячую точку котла (если нет штатной гильзы,  на минимальном расстоянии от котла на выходном патрубке
  • датчик обратки PT100 пульта в гильзу на обратном трубопроводе котла

 

2.   Электрическое подключение пульта к горелке:

  • выходные клеммы: Т1-Т2, Т6-Т7-Т8 или 0-10В
  • входные клеммы: сигналы S3 и B4 и другие аварийные сигналы

 

Все подключения выполнять согласно электрической схемы в паспорте пульта.

 

Аварийный термостат подключается электрическим проводом, поэтому его можно установить в любом, удобном для обслуживания и эксплуатации месте

 

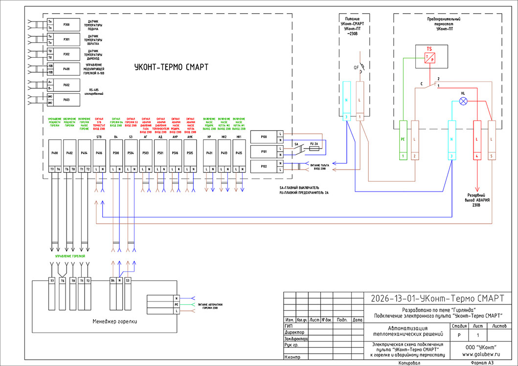
Принципиальная схема подключения аварийного термостата УКонт-ПТ к пульту УКонт-Термо СМАРТ

Давайте разберем логику совместной работы электронного пульта "УКонт-Термо СМАРТ" и аварийного термостата "УКонт-ПТ".

 

Вводная часть: температура в пульте задана 90оС.

 

Штатный режим работы котла. Так, как температура срабатывания аварийного термостата 115оС, а текущая температура 90оС, то на контакты STB на плате пульта подается напряжение 230В и пульт работает в штатном режиме.

 

Аварийный режим работы котла - перегрев. Котел нагрелся до 115оС, например из-за неисправности пульта. Аварийный термостат разорвал линию питания STB датчика пульта и реле Т1-Т2 разомкнулось,  горелка остановилась.

 

Для маньяков безопасности (в хорошем смысле). На резервный выход аварийного термостата вешаем реле, которое при появлении напряжения на катушке, своими контактами разрывает питание пускателя горелки.

Пульт "УКонт-Термо СМАРТ " и аварийный термостат "УКонт-ПТ" схема подключения.

Давайте разберем логику подачи питания электронного пульта "УКонт-Термо СМАРТ" и аварийного термостата "УКонт-ПТ".

 

Вводная часть:  пульт и аварийный термостат должны питаться от одной фазы в случае трехфазного напряжения в котельной.

 

Для этого необходимо подключить пульт и аварийный термостат к одному автоматическому выключателю

 

Также необходимо выполнить питание менеджера горелки от той-же фазы, что и пульт с аварийным термостатом.

 

ВНИМАНИЕ!

Необходимо заземлить аварийный термостат!