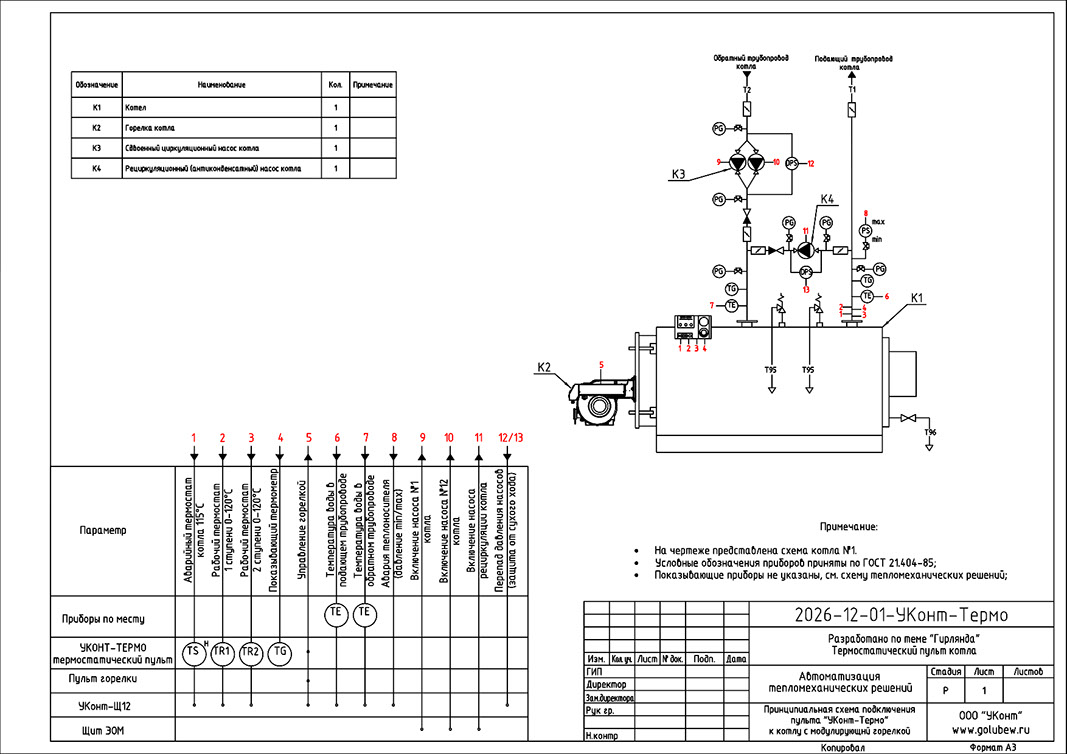
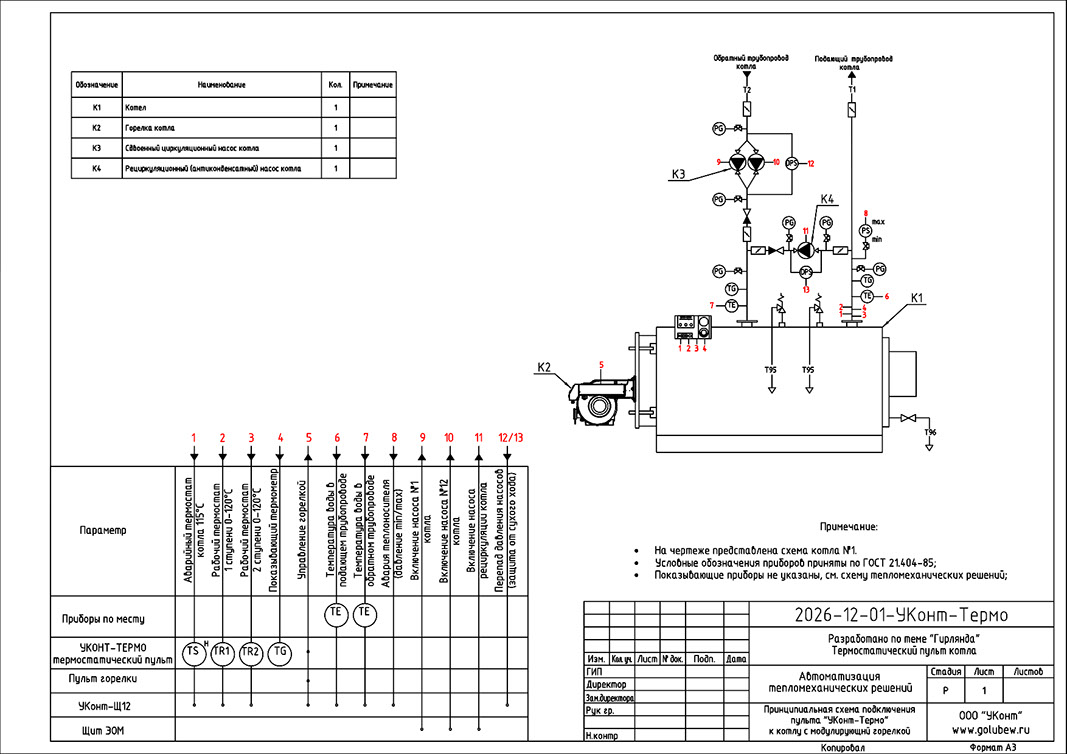
ПРИНЦИПИАЛЬНАЯ СХЕМА ПОДКЛЮЧЕНИЯ ТЕРМОСТАТИЧЕСКОГО ПУЛЬТА "УКОНТ-ТЕРМО"

ПОДКЛЮЧЕНИЕ К КОТЛУ (ГОРЕЛКЕ) ТЕРМОСТАТИЧЕСКОГО ПУЛЬТА "УКОНТ-ТЕРМО" И ЩИТА УПРАВЛЕНИЯ УКОНТ-Щ12

Зачем нужен термостатический пульт котла? С одной стороны вопрос странный, ну как-же без него, а с другой, много работающих котельных, где подобные пульты не установлены. Поэтому в данном материале высказана наша точка зрения по этому поводу.

 

Мы считаем, что термостатический пульт котла в любом случае необходим и устанавливается на котел для:

 

  1. Простейшее управление горелкой котла для поддержания заданной температуры теплоносителя и защиты от перегрева. Плюсы: недорогое решение и защита от закипания. Минусы: в принципе отсутствует возможность работы к каскаде (правильный каскад) и не корректная работа с модулирующей (прогрессивной) горелкой, приводящая к быстрому выходу данной горелки из строя (повышенный расход моторесурса горелки при частом вкл-выкл большого горения).
  2. Защитная автоматика нижнего уровня при управлении котлом автоматикой верхнего уровня (например работа котлов в каскаде под управлением каскадного контроллера). Минусы: на первый взгляд удорожание стоимости котельной (это если не думать о последствиях, могущих наступить при выходе автоматики верхнего уровня из строя). Плюсы: при выходе автоматики верхнего уровня из строя, котел остается в рабочем состоянии.

 

Ниже описаны наши рекомендации по подключению термостатического пульта "УКонт-Термо" как автоматики нижнего уровня и щита автоматики "УКонт-Щ12" как автоматики верхнего уровня.

Принципиальная схема подключения термостатического пульта Уконт-Термо к котлу и щиту управления УКонт-Щ12

Принципиальная схема подключения термостатического пульта "УКонт-Термо" к котлу с двухступенчатой или модулирующей горелкой.

 

  1. Подключение термостатов пульта к котлу:
  • аварийный термостат в самую горячую точку котла (если нет штатной гильзы,  на минимальном расстоянии от котла на выходном патрубке
  • термостаты 1 и 2 ступени в самую горячую точку котла (если нет штатной гильзы,  на минимальном расстоянии от котла на выходном патрубке
  • показывающий термометр в самую горячую точку котла (если нет штатной гильзы,  на минимальном расстоянии от котла на выходном патрубке

 

2.   Электрическое подключение термостатов пульта к горелке:

  • выходные клеммы: Т1-Т2, Т6-Т7-Т8
  • входные клеммы: сигналы S3 и B4
  • входные клеммы: авария давления теплоносителя
  • выходные клеммы: питание горелки котла (через пускатель)

 

Подключение выполнять согласно электрической схемы в паспорте пульта.

 

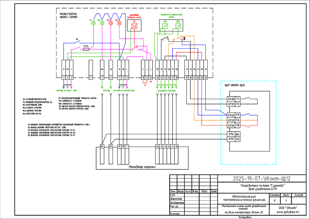
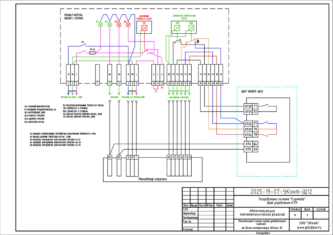
Пульт "УКонт-Термо" и щит управления "УКонт-Щ12" схема подключения к котлу.

Если на котле только пульт, без автоматики верхнего уровня, то термостаты подключаются к горелке согласно электрической схемы. Перемычки для внешнего управления (для автоматики верхнего уровня) остаются на месте. Управление малым и большим горением горелки осуществляет пульт.

 

Если управление котлом будет осуществлять щит автоматики "УКонт-Щ12", то необходимо снять перемычки и соединить клеммы пульта с клеммами щита в соответствии с предложенной схемой.

 

После завершения монтажа и запуска горелки необходимо на пульте выставить температуру срабатывания термостатов 1 и 2 ступени на 2-4оС  больше (не забывайте про гистерезис термостатов пульта в 4оС), чем заданная температура теплоносителя котла (каскада) в щитах управления котлом и каскадом.

При такой настройке пульта, он будет работать как вторая линия защиты от перегрева. Первая линия это щит управления котлом "УКонт-Щ12", а третья линия это аварийный термостат 115оС, установленный в пульте.

 

В щите управления котлом "УКонт-Щ12" на внутренней стороне дверки есть переключатели, переводящие управление горелкой на термостатический пульт или щит управления.

 

Схема подключения пульта котла и щита управления котлом для совместной работы. Штатная ситуация.

Давайте разберем логику совместной работы термостатического пульта "УКонт-Термо" и щита управления котлом "УКонт-Щ12" при различных ситуациях.

 

Вводная часть: горелка модулирующая, температура в щите управления задана 90оС, на термостатическом пульте термостат 1 контура установлен на 94оС, термостат 2 контура на 92оС.

 

Штатный режим работы котла. Так, как температура теплоносителя котла при нормальной работе автоматики верхнего уровня (щит "УКонт-Щ12") меньше 95оС, то пульт не разрывает соединения Т1-Т2, Т6-Т8 щита "УКонт-Щ12" с горелкой.

 

Управление котлом производит щит автоматики "УКонт-Щ12".

Схема подключения пульта котла и щита управления котлом для совместной работы. Штатная ситуация 2.

Давайте разберем логику совместной работы термостатического пульта "УКонт-Термо" и щита управления котлом "УКонт-Щ12" при различных ситуациях.

 

Вводная часть: горелка модулирующая, температура в щите управления задана 90оС, на термостатическом пульте термостат 1 контура установлен на 94оС, термостат 2 контура на 92оС.

 

Штатный режим работы котла. Так, как температура теплоносителя котла при нормальной работе автоматики верхнего уровня (щит "УКонт-Щ12") меньше 95оС, то пульт не разрывает соединения Т1-Т2, Т6-Т8 щита "УКонт-Щ12" с горелкой.

 

Температура теплоносителя котла превышает заданную на 1-2оС (в зависимости от настройки щита "УКонт-Щ12") и контроллер управления котла "УКонт-12" в составе щита размыкает контакт Т6-Т8 (большое горение) и замыкает Т6-Т7 (малое горение), тем самым регулируя температуру теплоносителя. Данный алгоритм описан максимально просто (без указания роли ПИД регулирования горелкой) в целях пояснения работы связки контроллер-горелка.

 

Управление котлом производит щит автоматики "УКонт-Щ12".

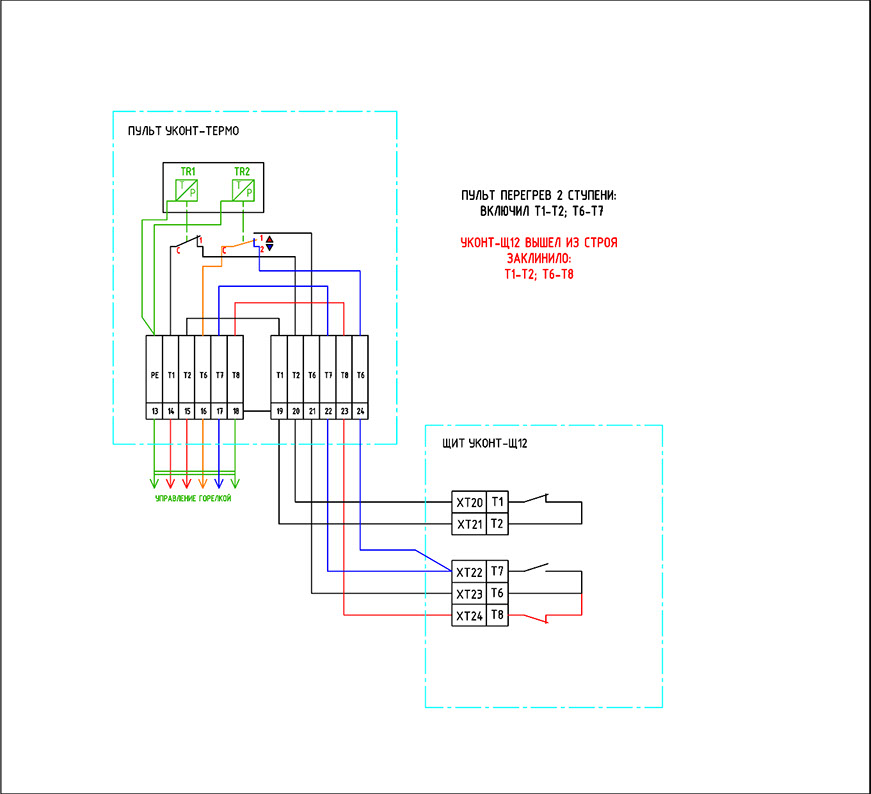
Схема подключения пульта котла и щита управления котлом для совместной работы. Аварийная ситуация.

Давайте разберем логику совместной работы термостатического пульта "УКонт-Термо" и щита управления котлом "УКонт-Щ12" при различных ситуациях.

 

Вводная часть: горелка модулирующая, температура в щите управления задана 90оС, на термостатическом пульте термостат 1 контура установлен на 94оС, термостат 2 контура на 92оС.

 

Внештатный режим работы котла. Вышел из строя щит управления котлом с заклиниванием реле Т6-Т8 и Т6-Т7, т.е. горелка работает на большом горении и не переключается на малое горение. Так, как температура теплоносителя котла достигла 96оС то пульт переключит термостат 2 ступени с контактов горелки Т6-Т8 на контакты Т6-Т7, т.е. переведет горелку в режим малое горение.

 

Если после этого, температура теплоносителя не будет уменьшаться и достигнет  98оС, тогда сработает термостат пульта  1 ступени и остановит горелку. Сработала 2 линия защиты котла.

 

И уже в самом крайнем случае, если котел нагреется до 115оС в дело вступит аварийный термостат и обесточит горелку. Сработала 3 линия защиты котла.

 

Управление котлом производит пульт котла"УКонт-Термо".